$23.00
Workshop Manual
1Troubleshooting Manual
1Operational Principle Manual
1Wiring Diagram
1All-Inclusive Factory Service Technical manual for Hitachi Crawler Excavators Models Zaxis 470H-GI.
This manuals will assist you in diagnosing, repairing, troubleshooting, and operating for your crawler excavator.
You can use a Windows, Mac, or Android device to view this manuals. You only need to have a PDF reader installed.
Covered Models:
Zaxis 470H-GI
The manual comprises 4 documents, including the Workshop Manual, Troubleshooting Manual, Operational Principle Manual, and Wiring Diagram
1. Workshop Manual (ZX470H-GI_WM)
Format: PDF, 878 pages
Language: English
Table of Contents:
GENERAL
Precautions for Disassembling and Assembling
Tightening
Painting
Bleeding Air
Pressure Release Procedure
Preparation
MAINTENANCE STANDARD
Upperstructure
Undercarriage
Front Attachment
UPPERSTRUCTURE
Cab
Counterweight
Main Frame
Engine
Radiator Assembly
Hydraulic Oil Tank
Fuel Tank
Pump Device
Control Valve
Swing Device
Pilot Valve
Solenoid Valve
Signal Control Valve
Shockless Valve
UNDERCARRIAGE
Swing Bearing
Travel Device
Center Joint
Track Adjuster
Front Idler
Upper and Lower Rollers
Track
FRONT ATTACHMENT
Front Attachment
Cylinder
ENGINE AND ACCESSORY
General Information
Service Information
Engine Mechanical
Engine Cooling
Engine Fuel
Starting and Charging
Engine Lubrication
Engine Induction
2. Troubleshooting Manual (ZX470H-GI_TSM)
Format: PDF, 443 pages
Language: English
Table of Contents:
OPERATIONAL and PERFORMANCE TEST
Introduction
Standard
Engine Test
Excavator Test
Component Test
Adjustment
TROUBLESHOOTING
Diagnosing Procedure
Monitor
e-Service
Component Layout
Troubleshooting A
Troubleshooting B
Air Conditioner
3. Operational Principle Manual (ZX470H-GI_OPM)
Format: PDF, 365 pages
Language: English
Table of Contents:
GENERAL
Specification
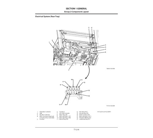
Component Layout
Component Specifications
SYSTEM
Controller
Control System
Hydraulic System
Electrical System
COMPONENT OPERATION
Pump Device
Swing Device
Control Valve
Pilot Valve
Travel Device
Signal Control Valve
Others (Upperstructure)
Others (Undercarriage)
4. Wiring Diagram (Elec_Circuit_U)
Format: PDF, 8 pages
Language: English
This manuals will assist you in diagnosing, repairing, troubleshooting, and operating for your crawler excavator.
You can use a Windows, Mac, or Android device to view this manuals. You only need to have a PDF reader installed.
Covered Models:
Zaxis 470H-GI
The manual comprises 4 documents, including the Workshop Manual, Troubleshooting Manual, Operational Principle Manual, and Wiring Diagram
1. Workshop Manual (ZX470H-GI_WM)
Format: PDF, 878 pages
Language: English
Table of Contents:
GENERAL
Precautions for Disassembling and Assembling
Tightening
Painting
Bleeding Air
Pressure Release Procedure
Preparation
MAINTENANCE STANDARD
Upperstructure
Undercarriage
Front Attachment
UPPERSTRUCTURE
Cab
Counterweight
Main Frame
Engine
Radiator Assembly
Hydraulic Oil Tank
Fuel Tank
Pump Device
Control Valve
Swing Device
Pilot Valve
Solenoid Valve
Signal Control Valve
Shockless Valve
UNDERCARRIAGE
Swing Bearing
Travel Device
Center Joint
Track Adjuster
Front Idler
Upper and Lower Rollers
Track
FRONT ATTACHMENT
Front Attachment
Cylinder
ENGINE AND ACCESSORY
General Information
Service Information
Engine Mechanical
Engine Cooling
Engine Fuel
Starting and Charging
Engine Lubrication
Engine Induction
2. Troubleshooting Manual (ZX470H-GI_TSM)
Format: PDF, 443 pages
Language: English
Table of Contents:
OPERATIONAL and PERFORMANCE TEST
Introduction
Standard
Engine Test
Excavator Test
Component Test
Adjustment
TROUBLESHOOTING
Diagnosing Procedure
Monitor
e-Service
Component Layout
Troubleshooting A
Troubleshooting B
Air Conditioner
3. Operational Principle Manual (ZX470H-GI_OPM)
Format: PDF, 365 pages
Language: English
Table of Contents:
GENERAL
Specification
Component Layout
Component Specifications
SYSTEM
Controller
Control System
Hydraulic System
Electrical System
COMPONENT OPERATION
Pump Device
Swing Device
Control Valve
Pilot Valve
Travel Device
Signal Control Valve
Others (Upperstructure)
Others (Undercarriage)
4. Wiring Diagram (Elec_Circuit_U)
Format: PDF, 8 pages
Language: English
Included
Workshop Manual
1Troubleshooting Manual
1Operational Principle Manual
1Wiring Diagram
1Reviews: 0
There are no reviews for this product.
Questions: 0
No questions about this product.
Similar products
